詳細介紹:
特點與用途:
XZS系列旋振篩是在S49系列旋振篩的基礎上,吸收國內外**技術,并采用**的加工工藝而設計的高精度篩分過濾機械,它是以立式振動電機或專用激振器為振動源,立式振動電機(或激振器)上、下端裝有偏心重錘,可產生水平、垂直、傾斜的三次元運動,通過調節上、下偏心重錘的相位角,改變物料在篩面上的運動軌跡以達到篩分各種物料的目的。該產品適用于任何粉、粒、液的篩分和過濾的行業。廣泛用于化工、醫藥粉、液、涂料、顏料、化妝品、油脂、樹脂、陶瓷漿、粘土泥漿、生石灰、耐火材料粉末,冶金粉末、電磁粉末、研磨粉、果汁、飲料、食糖、食鹽、味精、調料、奶粉、淀粉、面粉、米粉、碳粉、石墨粉、錳粉、碳酸鋰、助溶劑、滅火劑以及環保行業的污水、廢水處理的工藝過程中的篩分、過濾。
XZS系列旋振篩振動形式特殊,物料運動軌跡和振幅可調,滿足不同工藝要求。任何顆粒、細粉、漿液均可篩分過濾;篩分效率高,既可概略分級,又可進行精細篩分或過濾;體積小、重量輕、安裝移動方便;網架設計獨特、換網容易,篩網壽命長、清洗方便、操作簡單;全封閉,無粉塵溢散,有利于改善勞動條件;粗、細料自動分級排出,能實現自動化作業;出料口繞軸線360度任意設置,便于布置配套設備;耗能小,噪音低、滿足節能、環保要求;保養簡單,可單層或多層使用。
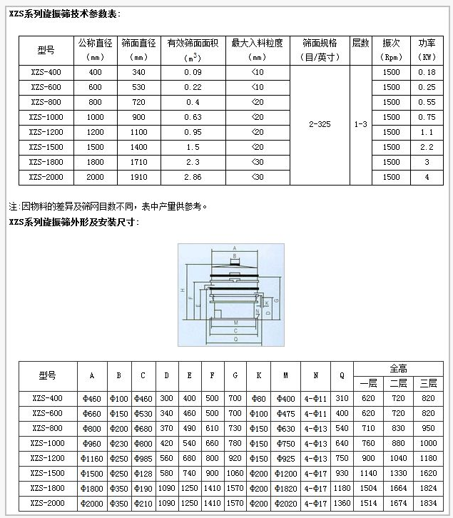
主要技術參數:
